VXB
แบริ่งควบคุมโครงสร้างอากาศยานชนิดท่อแรงบิดเบาเป็นพิเศษ B542 ขนาด 1.3125" x 1.75" x 0.25"
แบริ่งควบคุมโครงสร้างอากาศยานชนิดท่อแรงบิดเบาเป็นพิเศษ B542 ขนาด 1.3125" x 1.75" x 0.25"
ไม่สามารถโหลดความพร้อมในการรับสินค้าด้วยตนเองได้
แบริ่งควบคุมโครงสร้างอากาศยาน B542
✨ ท่อแรงบิดน้ำหนักเบาพิเศษ - 1 5/16" x 1 3/4" x 1/4"
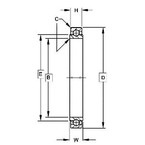
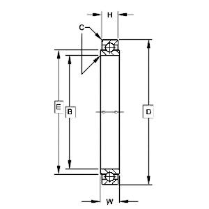
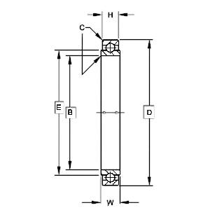
B542 เป็นแบริ่งลูกปืนแบบแถวเดียวสไตล์เปิดที่ออกแบบมาสำหรับท่อแรงบิดและการควบคุมโครงสร้างอากาศยาน แบริ่งน้ำหนักเบาพิเศษนี้ผลิตจากเหล็กกล้าคาร์บอนสูงผสมโครเมียมและมาพร้อมกับสารหล่อลื่นที่ช่วยป้องกัน สนับสนุนการใช้งานในระบบอากาศยานที่เน้นน้ำหนักเบา โดยเน้นการหมุนที่ราบรื่นและแรงเสียดทานต่ำ
🟢 รูเจาะ: 1 5/16" (1.3125")
🟢 เส้นผ่านศูนย์กลางด้านนอก: 1 3/4" (1.75")
🟢 ความกว้างวงแหวนด้านใน: 1/4" (0.250")
🟢 ความกว้างวงแหวนด้านนอก: 0.281"
🟢 ค่ารับน้ำหนักแรงดันรัศมี: 5,950 ปอนด์
🟢 ค่ารับน้ำหนักแรงดันขับ: 2,700 ปอนด์
🟢 แบบเปิดเพื่อการเข้าถึงหรือหล่อลื่นโดยตรง
🟢 ออกแบบลูกปืนแบบเต็มจำนวนเพื่อความสามารถรับน้ำหนักสูงขึ้น
🟢 ผลิตจากเหล็กกล้าคาร์บอนสูงผสมโครเมียม
🟢 จำหน่ายเป็นแบริ่ง 1 ชิ้นต่อแพ็ค
แชร์


