1
/
จาก
3
FYH
FYH UCFC-214 แบริ่งติดตั้งแบบมีขอบ 70mm แบบกลม
FYH UCFC-214 แบริ่งติดตั้งแบบมีขอบ 70mm แบบกลม
ราคาปกติ
$299.70 USD
ราคาปกติ
$333.00 USD
ราคาโปรโมชัน
$299.70 USD
ราคาต่อหน่วย
/
ต่อ
ค่าจัดส่งที่คำนวณในขั้นตอนการชำระเงิน
ไม่สามารถโหลดความพร้อมในการรับสินค้าด้วยตนเองได้
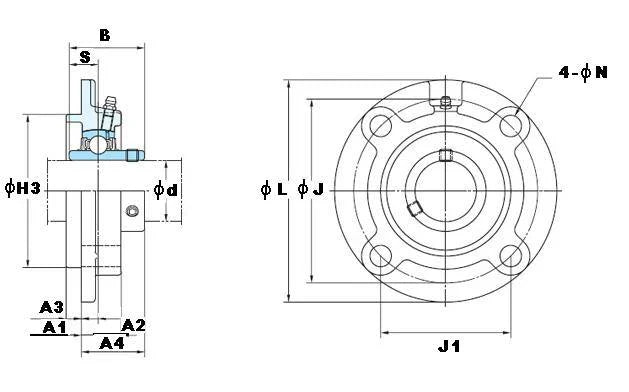
| ตลับลูกปืน UCFC-214 FYH ตลับลูกปืนติดตั้งหน้าแปลนกลม รูทรงกระบอก (พร้อมสกรูล็อค) ตลับลูกปืนขนาดเส้นผ่านศูนย์กลางภายใน 70 มม. |
|
ยูนิตตลับลูกปืนหน้าแปลนสี่รูสกรูนี้มีตลับลูกปืนกลมที่ด้านหลังของหน้าแปลนซึ่งช่วยให้การติดตั้งและการจัดแนวที่แม่นยำ การใช้งาน ได้แก่ กลองหมุน ลูกกลิ้งหมุน และพื้นที่ที่ต้องการความแม่นยำในการติดตั้งสูง
|
|||||||||||||||||||||||||||||||||||||||
แชร์
