1
/
จาก
3
VXB
GER212-37 แทรก GRIP-IT 360 องศา 2 5/16" แบริ่ง
GER212-37 แทรก GRIP-IT 360 องศา 2 5/16" แบริ่ง
ราคาปกติ
$484.19 USD
ราคาปกติ
$537.99 USD
ราคาโปรโมชัน
$484.19 USD
ราคาต่อหน่วย
/
ต่อ
ค่าจัดส่งที่คำนวณในขั้นตอนการชำระเงิน
ไม่สามารถโหลดความพร้อมในการรับสินค้าด้วยตนเองได้
| สินค้านี้จะถูกจัดส่งภายในหนึ่งสัปดาห์ การคืนสินค้าจะมีค่าธรรมเนียมการเติมสต็อก 15% |
|
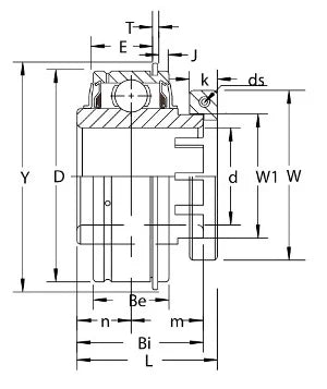
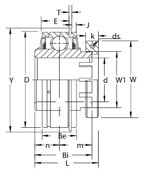
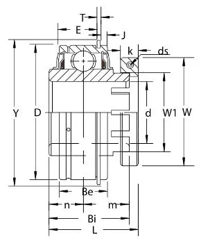
ตลับลูกปืน GER212-37 แบบแทรก GRIP-IT ล็อก 360 องศา ล็อกด้วยสกรู เส้นผ่านศูนย์กลางด้านใน 2 5/16" นิ้ว |
ตลับลูกปืน GER212-37 แบบแทรก GRIP-IT ล็อก 360 องศา, ตลับลูกปืนมีความสามารถรับน้ำหนักมาตรฐาน, ตลับลูกปืนมีวงแหวนด้านในกว้างพร้อมวงแหวนด้านนอกทรงกระบอกและแหวนสแน็ป, ตลับลูกปืนมีร่องเติมจาระบีพร้อมรูน้ำมันที่ด้านตรงข้ามกับคอล็อก, ตลับลูกปืนเคลือบออกไซด์สีดำที่วงแหวนด้านในและด้านนอก, ตลับลูกปืนมีสกรูตั้งแบบไนลอนแพตช์คลาส 3A, ซีลมาตรฐานเป็น R-seal.
|
| ขนาด (นิ้ว) | |||||||||||||
|---|---|---|---|---|---|---|---|---|---|---|---|---|---|
| D | ไบ | เป็น | ยาว | น | ม. | E | W1 | J | ที | ใช่ | K | วัตต์ | ds (เกลียว UNF) |
| 4-21/64" | 2-9/16" | 1-1/4" | 2-55/64" | 1" | 1-9/16" | 1-1/64" | 3-1/32" | 1/8" | 3/64" | 4-13/64" | 45/64" | 4-3/64" | 5/16-18x1 |
แชร์
