VXB
ลูกปืนรางกลิ้งร่องรูปตัว U ขนาด 12mm ID x 10mm รุ่น LFR5201KDD LFR5201-10KDD
ลูกปืนรางกลิ้งร่องรูปตัว U ขนาด 12mm ID x 10mm รุ่น LFR5201KDD LFR5201-10KDD
ไม่สามารถโหลดความพร้อมในการรับสินค้าด้วยตนเองได้
แบริ่งนำทางร่องรูปตัว U รุ่น LFR5201-10KDD
✨ ลูกกลิ้งรางขนาด 12mm ID - เข้ากับโปรไฟล์ U ขนาด 10mm
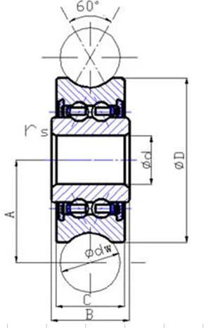
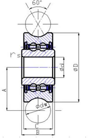
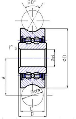
LFR5201-10KDD เป็นแบริ่งนำทางร่องรูปตัว U ที่มีความแม่นยำ ออกแบบมาเพื่อวิ่งตามรางกลมหรือรางรูปตัว V เพื่อการเคลื่อนที่เชิงเส้นที่ราบรื่น ด้วยเส้นผ่านศูนย์กลางภายใน 12mm และโปรไฟล์กะทัดรัด เหมาะอย่างยิ่งสำหรับระบบ CNC กลไกเลื่อน และตัวนำการเคลื่อนที่ที่ต้องการการติดตามที่แม่นยำและความทนทาน
🟢 เส้นผ่านศูนย์กลางภายใน: 12mm
🟢 ขนาดเส้นผ่านศูนย์กลางเพลาที่เหมาะสม (dw): 10mm
🟢 เส้นผ่านศูนย์กลางภายนอก: 35mm
🟢 ความลึกของร่อง (C): 15.9mm
🟢 ความกว้างรวม (B): 15.9mm
🟢 ความกว้างขอบนอก (A): 20.65mm
🟢 รัศมี (rs): 0.3mm
🟢 ประเภท: แบริ่งลูกกลิ้งรางรูปตัว U
🟢 ความสามารถรับน้ำหนัก (Cw): 8.5 kN
🟢 ความสามารถรับน้ำหนัก (Cow): 5.1 kN
🟢 ปริมาณ: แบริ่ง 1 ชิ้น
แชร์

