1
/
จาก
7
VXB
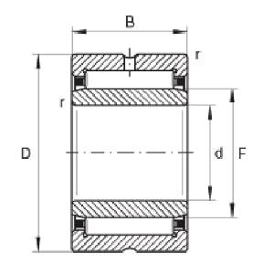
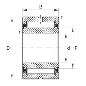
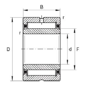
ตลับลูกปืนเข็ม NKI38/20 ขนาด 38x53x20 มม. - แบบกลึง
ตลับลูกปืนเข็ม NKI38/20 ขนาด 38x53x20 มม. - แบบกลึง
ราคาปกติ
$26.97 USD
ราคาปกติ
$30.00 USD
ราคาโปรโมชัน
$26.97 USD
ราคาต่อหน่วย
/
ต่อ
ค่าจัดส่งที่คำนวณในขั้นตอนการชำระเงิน
ไม่สามารถโหลดความพร้อมในการรับสินค้าด้วยตนเองได้
NKI38/20 ตลับลูกปืนเข็มกลึง พร้อมวงแหวนด้านใน 38mm x 53mm x 20mm VXB Bearing |
NKI38/20 ตลับลูกปืนเข็มกลึงพร้อมวงแหวนด้านใน 38x53x20mm
|
แชร์






