1
/
จาก
3
VXB
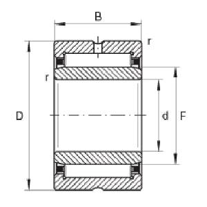
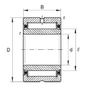
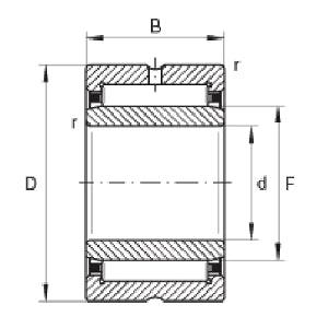
ตลับลูกปืนเข็ม NKI50/25 ขนาด 50x68x25 มม. - แบบกลึง
ตลับลูกปืนเข็ม NKI50/25 ขนาด 50x68x25 มม. - แบบกลึง
ราคาปกติ
$44.94 USD
ราคาปกติ
$49.99 USD
ราคาโปรโมชัน
$44.94 USD
ราคาต่อหน่วย
/
ต่อ
ค่าจัดส่งที่คำนวณในขั้นตอนการชำระเงิน
ไม่สามารถโหลดความพร้อมในการรับสินค้าด้วยตนเองได้
แบริ่งลูกกลิ้งเข็ม พร้อมวงแหวนด้านใน NKI50/25 |
แบริ่งลูกกลิ้งเข็มชนิดกลึง, NKI50/25 มีเส้นผ่านศูนย์กลางด้านใน 50มม., เส้นผ่านศูนย์กลางด้านนอก 68มม., ความกว้าง 25มม.
|
แชร์


