1
/
จาก
7
VXB
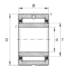
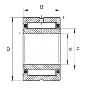
ตลับลูกปืนเข็ม NKI50/35 ขนาด 50x68x35 มม. - แบบกลึง
ตลับลูกปืนเข็ม NKI50/35 ขนาด 50x68x35 มม. - แบบกลึง
ราคาปกติ
$44.94 USD
ราคาปกติ
$49.99 USD
ราคาโปรโมชัน
$44.94 USD
ราคาต่อหน่วย
/
ต่อ
ค่าจัดส่งที่คำนวณในขั้นตอนการชำระเงิน
ไม่สามารถโหลดความพร้อมในการรับสินค้าด้วยตนเองได้
แบริ่งลูกกลิ้งเข็ม พร้อมวงแหวนด้านใน NKI50/35 |
แบริ่งลูกกลิ้งเข็มแบบกลึง, NKI50/35 มีเส้นผ่านศูนย์กลางด้านใน 50มม., เส้นผ่านศูนย์กลางด้านนอก 68มม., ความกว้าง 35มม.
|
แชร์






