1
/
จาก
7
VXB
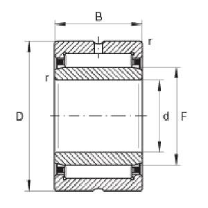
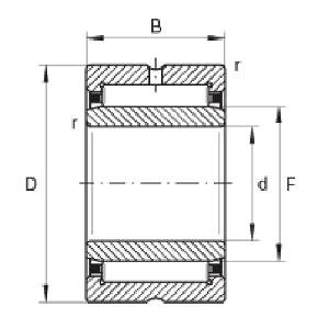
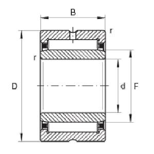
ตลับลูกปืนเข็ม NKI55/35 ขนาด 55x72x35 - แบบกลึง
ตลับลูกปืนเข็ม NKI55/35 ขนาด 55x72x35 - แบบกลึง
ราคาปกติ
$53.93 USD
ราคาปกติ
$60.00 USD
ราคาโปรโมชัน
$53.93 USD
ราคาต่อหน่วย
/
ต่อ
ค่าจัดส่งที่คำนวณในขั้นตอนการชำระเงิน
ไม่สามารถโหลดความพร้อมในการรับสินค้าด้วยตนเองได้
แบริ่งเข็ม พร้อมวงแหวนด้านใน NKI55/35 |
แบริ่งเข็มชนิดกลึง, NKI55/35 มีเส้นผ่านศูนย์กลางด้านใน 55มม., เส้นผ่านศูนย์กลางด้านนอก 72มม., ความกว้าง 35มม.
|
แชร์






