1
/
จาก
7
VXB
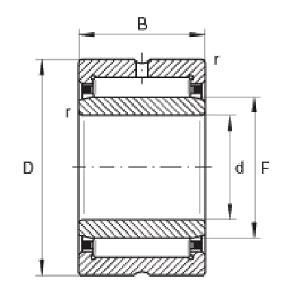
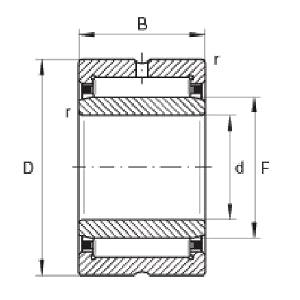
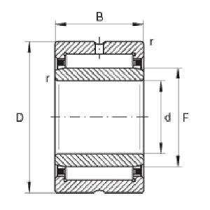
ตลับลูกปืนเข็ม NKI65/35 ขนาด 65x90x35 - แบบกลึง
ตลับลูกปืนเข็ม NKI65/35 ขนาด 65x90x35 - แบบกลึง
ราคาปกติ
$75.51 USD
ราคาปกติ
$84.00 USD
ราคาโปรโมชัน
$75.51 USD
ราคาต่อหน่วย
/
ต่อ
ค่าจัดส่งที่คำนวณในขั้นตอนการชำระเงิน
ไม่สามารถโหลดความพร้อมในการรับสินค้าด้วยตนเองได้
แบริ่งเข็ม พร้อมวงแหวนด้านใน NKI65/35 |
แบริ่งเข็มชนิดกลึง, NKI65/35 มีเส้นผ่านศูนย์กลางด้านใน 65มม., เส้นผ่านศูนย์กลางด้านนอก 90มม., ความกว้าง 35มม.
|
แชร์






