1
/
จาก
3
VXB
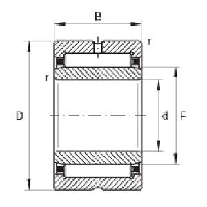
ตลับลูกกลิ้งเข็ม TAFI385330 ขนาด 38x53x30 มม. - แบบกลึง
ตลับลูกกลิ้งเข็ม TAFI385330 ขนาด 38x53x30 มม. - แบบกลึง
ราคาปกติ
$29.66 USD
ราคาปกติ
$33.00 USD
ราคาโปรโมชัน
$29.66 USD
ราคาต่อหน่วย
/
ต่อ
ค่าจัดส่งที่คำนวณในขั้นตอนการชำระเงิน
ไม่สามารถโหลดความพร้อมในการรับสินค้าด้วยตนเองได้
TAFI385330 ตลับลูกปืนเข็มกลึง พร้อมวงแหวนด้านใน 38mm x 53mm x 30mm VXB Bearing |
TAFI385330 ตลับลูกปืนเข็มกลึงพร้อมวงแหวนด้านใน 38x53x30mm
|
แชร์


