1
/
จาก
3
VXB
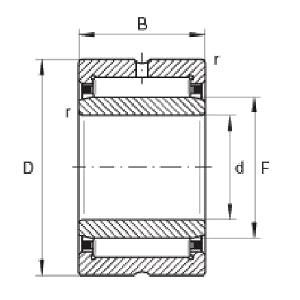
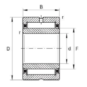
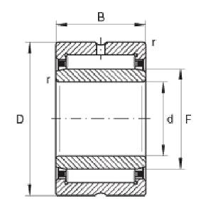
ตลับลูกกลิ้งเข็ม TAFI456225 ขนาด 45x62x25 มม. - แบบกลึง
ตลับลูกกลิ้งเข็ม TAFI456225 ขนาด 45x62x25 มม. - แบบกลึง
ราคาปกติ
$35.06 USD
ราคาปกติ
$39.00 USD
ราคาโปรโมชัน
$35.06 USD
ราคาต่อหน่วย
/
ต่อ
ค่าจัดส่งที่คำนวณในขั้นตอนการชำระเงิน
ไม่สามารถโหลดความพร้อมในการรับสินค้าด้วยตนเองได้
แบริ่งลูกกลิ้งเข็ม พร้อมวงแหวนด้านใน TAFI456225 |
แบริ่งลูกกลิ้งเข็มแบบกลึง, ขนาดเส้นผ่านศูนย์กลางด้านใน TAFI456225 คือ 45มม., เส้นผ่านศูนย์กลางด้านนอก 62มม., ความกว้าง 25มม.
|
แชร์


