1
/
จาก
3
VXB
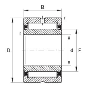
ตลับลูกปืนเข็ม TAFI7510535 ขนาด 75x105x35 มม. - แบบกลึง
ตลับลูกปืนเข็ม TAFI7510535 ขนาด 75x105x35 มม. - แบบกลึง
ราคาปกติ
$91.69 USD
ราคาปกติ
$102.00 USD
ราคาโปรโมชัน
$91.69 USD
ราคาต่อหน่วย
/
ต่อ
ค่าจัดส่งที่คำนวณในขั้นตอนการชำระเงิน
ไม่สามารถโหลดความพร้อมในการรับสินค้าด้วยตนเองได้
TAFI7510535 ตลับลูกปืนเข็มกลึง พร้อมวงแหวนด้านใน 75mm x 105mm x 35mm VXB Bearing |
TAFI7510535 ตลับลูกปืนเข็มกลึงพร้อมวงแหวนด้านใน 75x105x35mm
|
แชร์


