VXB
1-1/4 "3 cıvatalı flanşlı monte edilmiş SBPF207-20 Preslenmiş çelik gövde yatağı
1-1/4 "3 cıvatalı flanşlı monte edilmiş SBPF207-20 Preslenmiş çelik gövde yatağı
Teslim alım stok durumu yüklenemedi
SBPF207-20 Flanşlı Yatak Ünitesi
✨ 1-1/4 "delik-3 cıvatalı preslenmiş çelik muhafaza
SBPF207-20, çok çeşitli makinelerde 1-1/4 "şaftları desteklemek için tasarlanmış preslenmiş çelikte bulunan 3 cıvatalı flanşlı monte edilmiş bir yataktır. Bu hafif ancak sağlam birim, boşluk verimliliği ve kurulum konusundaki orta yük uygulamaları için idealdir.
🟢 Şaft çapı: 1-1/4 "inç
🟢 3 cıvatalı flanşlı preslenmiş çelik gövde
🟢 Yatak numarası: SB207-20
🟢 Konut numarası: PFL207
🟢 cıvata boyutu: 3/8 "inç
🟢 Dinamik Yük Derecesi (CR): 25,7 KN
🟢 Statik Yük Derecesi (COR): 15.4 KN
🟢 Miktar: 1 rulman ünitesi
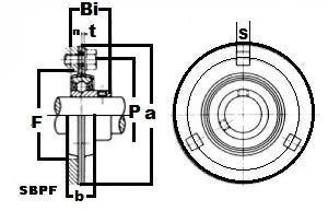
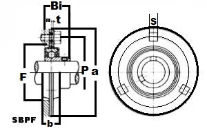
📏 Boyutlar Tablosu (inç):
Boyut | Değer |
---|---|
A | 4-13/16" |
P | 3-15/16" |
T | 0.102" |
B | 51/64" |
S | 7/16" |
F | 3-3/16" |
Bi | 1-1/4" |
N | 0.335" |
💡 Flanşlı rulman birimleri ne için kullanılır?
Flanşlı yatak üniteleri, konveyör sistemlerinde, tarım makinelerinde ve motor destek parantezlerinde yaygın olarak kullanılan düz yüzeylerde şaftlar için güçlü, kararlı bir montaj sunar.
Firma şaft hizalamasına ihtiyaç duyan mekanik kurulumlarda monte edilmesi kolay destek için güvenilir bir çözüm.
Paylaş



