1
/
/
2
VXB
1-3/4" Rulman HCF209-28 Kare Flanşlı Gövde Montajlı Rulman - Eksantrik Yaka
1-3/4" Rulman HCF209-28 Kare Flanşlı Gövde Montajlı Rulman - Eksantrik Yaka
Normal fiyat
$70.11 USD
Normal fiyat
$78.00 USD
İndirimli fiyat
$70.11 USD
Birim fiyat
/
/
Kargo, ödeme sayfasında hesaplanır.
Teslim alım stok durumu yüklenemedi
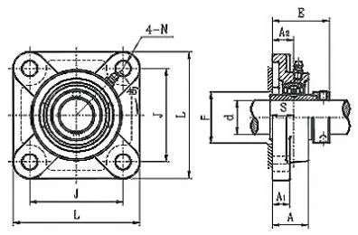
HCF209-28 Dört Cıvatalı Flanş Ünitesi Eksantrik Yaka ile Set Vida Tipi 1 3/4" İnç İç Çap |
HCF209-28 Dört Civatalı Flanşlı Ünite, iç çapı 1 3/4" inç olan set vida tipi montajlı rulman ünitesidir.
|
Boyutlar (İnç) | |||||||||
---|---|---|---|---|---|---|---|---|---|
d | L | J | A2 | A1 | A | E | N | S | |
1 3/4" | 3 3/32" | 4 1/8" | 7/8" | 5/8" | 1 1/2" | 2 1/4" | 5/8" | 27/32" |
Paylaş

