1
/
/
2
VXB
1-7/8" Rulman HCF210-30 Kare Flanşlı Gövdeli Montajlı Rulman - Eksantrik Yaka
1-7/8" Rulman HCF210-30 Kare Flanşlı Gövdeli Montajlı Rulman - Eksantrik Yaka
Normal fiyat
$64.72 USD
Normal fiyat
$72.00 USD
İndirimli fiyat
$64.72 USD
Birim fiyat
/
/
Kargo, ödeme sayfasında hesaplanır.
Teslim alım stok durumu yüklenemedi
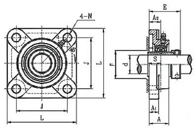
HCF210-30 Dört Cıvatalı Flanş Ünitesi Eksantrik Yakalı Set Vida Tipi 1 7/8" inç İç Çap |
Eksantrik Yaka ile HCF210-30 Dört Cıvatalı Flanş Ünitesi, rulman Set Vida Tipi, İç Çapı 1 7/8" inçtir.
|
Boyutlar (İnç) | |||||||||
---|---|---|---|---|---|---|---|---|---|
d | L | J | A2 | A1 | A | E | N | S | F min. |
1 7/8" | 5 5/8" | 4 3/8" | 7/8" | 5/8" | 1 9/16" | 2 3/8" | 23/32" | 31/32" | 2 17/32" |
Paylaş

