1
/
/
2
VXB
1" Rulman HCFL205-16 2-Cıvatalı Flanşlı Döküm Gövdeli Montajlı Rulman - Eksantrik Yaka Kilidi
1" Rulman HCFL205-16 2-Cıvatalı Flanşlı Döküm Gövdeli Montajlı Rulman - Eksantrik Yaka Kilidi
Normal fiyat
$13.81 USD
Normal fiyat
$19.99 USD
İndirimli fiyat
$13.81 USD
Birim fiyat
/
/
Kargo, ödeme sayfasında hesaplanır.
Teslim alım stok durumu yüklenemedi
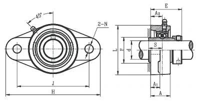
HCFL205-16 1" Flanşlı Montajlı Rulman Eksantrik Yaka Kilitli Bir Rulman |
1" İnç iç çapına sahip, eksantrik yaka kilitli 1" Flanşlı Montajlı Rulman HCFL205-16.
|
Boyutlar (İnç) | |||||||||||
---|---|---|---|---|---|---|---|---|---|---|---|
D | H | J | N | A | A1 | A2 | E | L | S | ||
1 " | 4 27/32" | 3 57/64 " | 15/32" | 1 3/16 " | 19/32" | 3/4" | 1 13/16 " | 2 3/4 " | 0.6850 " |
Paylaş

