1
/
/
2
VXB
1/2" Rulman HCFL201-8 2-Cıvatalı Flanşlı Döküm Gövdeli Montajlı Rulman - Eksantrik Yaka Kilidi
1/2" Rulman HCFL201-8 2-Cıvatalı Flanşlı Döküm Gövdeli Montajlı Rulman - Eksantrik Yaka Kilidi
Normal fiyat
$13.81 USD
Normal fiyat
$19.99 USD
İndirimli fiyat
$13.81 USD
Birim fiyat
/
/
Kargo, ödeme sayfasında hesaplanır.
Teslim alım stok durumu yüklenemedi
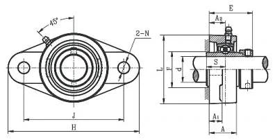
HCFL201-8 1/2" Eksantrik Yaka Kilitli Monteli Rulman Bir Rulman |
Eksantrik kelepçeli HCFL201-8 1/2" Monteli Rulman, iç çapı 1/2" İnç ölçer.
|
Boyutlar (İnç) | |||||||||||
---|---|---|---|---|---|---|---|---|---|---|---|
D | H | J | N | A | A1 | A2 | E | L | S | ||
1/2" | 3 20/32" | 3" | 7/16" | 31/32 | 7/16 | 19/32 | 1 1/2 | 2 1/4 | 9/16 |
Paylaş

