1
/
/
2
VXB
2 3/8" Rulman HCF212-38 Kare Flanşlı Döküm Gövdeli Montajlı Rulman - Eksantrik Yaka
2 3/8" Rulman HCF212-38 Kare Flanşlı Döküm Gövdeli Montajlı Rulman - Eksantrik Yaka
Normal fiyat
$91.69 USD
Normal fiyat
$102.00 USD
İndirimli fiyat
$91.69 USD
Birim fiyat
/
/
Kargo, ödeme sayfasında hesaplanır.
Teslim alım stok durumu yüklenemedi
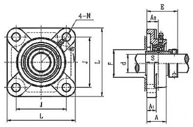
| HCF212-38 Dört Cıvatalı Flanşlı Ünite Eksantrik Yaka ile Set Vida Tipi 2 3/8" İnç İç Çap |
HCF212-38 Dört Civatalı Flanşlı Kare Montajlı Döküm Kasa Rulman Ünitesi, iç çapı 2 3/8" inç olan set vida tipi montajlı rulmandır.
|
| Boyutlar (İnç) | |||||||||
|---|---|---|---|---|---|---|---|---|---|
| d | L | J | A2 | A1 | A | E | N | S | F min. |
| 2 3/8" | 6 7/8" | 5 5/8" | 1 5/32" | 23/32" | 1 7/8" | 2 31/32" | 23/32" | 1 7/32" | 3 1/32" |
Paylaş
