1
/
/
4
FYH
FYH Rulman UCT202-10 5/8 Monte Yatak Alın
FYH Rulman UCT202-10 5/8 Monte Yatak Alın
Normal fiyat
$53.99 USD
Normal fiyat
$59.99 USD
İndirimli fiyat
$53.99 USD
Birim fiyat
/
/
Kargo, ödeme sayfasında hesaplanır.
Teslim alım stok durumu yüklenemedi
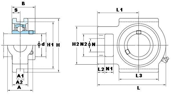
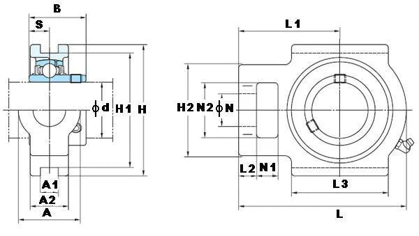
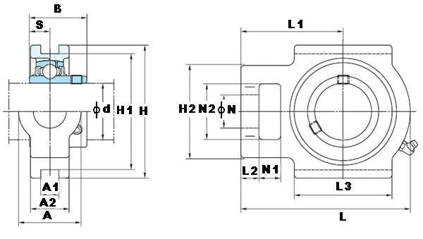
| UCT202-10 FYH Rulman Monte Rulman'ı Alın Silindirik delik (set vidaları ile) 5/8 "iç çap |
Alım ünitesi bir alım çerçevesine sığar ve ünite düzlemi boyunca doğrusal ayarlamaya izin verir. Hem uluslararası hem de yerli yuva sürümleri mevcuttur.
|
| Boyutlar (inç) | |||||||||||||||
|---|---|---|---|---|---|---|---|---|---|---|---|---|---|---|---|
| D | A | A1 | A2 | H | H1 | H2 | L | L1 | L2 | L3 | N | N1 | N2 | B | S |
| 5/8" | 1-1/4" | 15/32" | 13/16" | 3-1/2" | 2-63/64" | 2" | 3-11/16" | 2-13/32" | 13/32" | 2" | 3/4" | 5/8" | 1-1/4" | 1.22" | 1/2" |
Paylaş
