1
/
/
4
FYH
FYH Rulman UCT205-16 1 Monte Yatak Alın
FYH Rulman UCT205-16 1 Monte Yatak Alın
Normal fiyat
$58.50 USD
Normal fiyat
$65.00 USD
İndirimli fiyat
$58.50 USD
Birim fiyat
/
/
Kargo, ödeme sayfasında hesaplanır.
Teslim alım stok durumu yüklenemedi
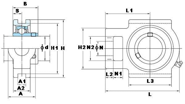
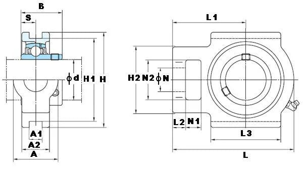
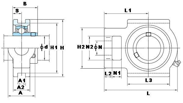
| UCT205-16 FYH Rulman Monte Rulman'ı Alın Silindirik delik (set vidaları ile) 1 "iç çaplı yatak |
Alım ünitesi bir alım çerçevesine sığar ve ünite düzlemi boyunca doğrusal ayarlamaya izin verir. Hem uluslararası hem de yerli yuva sürümleri mevcuttur.
|
| Boyutlar (inç) | |||||||||||||||
|---|---|---|---|---|---|---|---|---|---|---|---|---|---|---|---|
| D | A | A1 | A2 | H | H1 | H2 | L | L1 | L2 | L3 | N | N1 | N2 | B | S |
| 1" | 1-1/4" | 15/32" | 15/16" | 3-1/2" | 2-63/64" | 2" | 2-13/16" | 2-7/16" | 13/32" | 2" | 3/4" | 5/8" | 1-1/4" | 1.343" | 0.563" |
Paylaş
