1
/
/
3
VXB
GER211-34 Takma GRIP-IT 360 Derece 2 1/8" Rulman
GER211-34 Takma GRIP-IT 360 Derece 2 1/8" Rulman
Normal fiyat
$369.89 USD
Normal fiyat
$410.99 USD
İndirimli fiyat
$369.89 USD
Birim fiyat
/
/
Kargo, ödeme sayfasında hesaplanır.
Teslim alım stok durumu yüklenemedi
| Bu ürün bir hafta içinde gönderilecektir İadeler %15 stok yenileme ücreti tabanındadır |
|
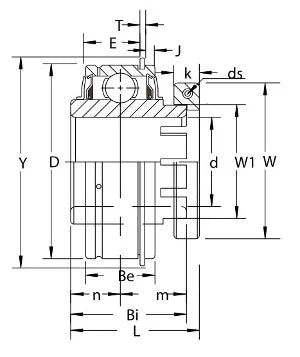
GER211-34 Rulman Eklemi GRIP-IT 360 Derece Kilitleme Set Vida Kilitleme 2 1/8" İnç İç Çap |
GER211-34 Rulman Eklemi GRIP-IT 360 Derece Kilitleme, rulman standart yük kapasitesine sahiptir, rulman silindirik dış halka ve snap ring ile geniş iç halkaya sahiptir, rulmanın kilitleme yakasının karşı tarafında yağ deliği olan yeniden yağlama kanalı vardır, rulmanın iç ve dış halkaları siyah oksit kaplamalıdır, rulman naylon kaplamalı sınıf 3A set vidasına sahiptir, standart conta R-contadır.
|
| Boyutlar (İnç) | |||||||||||||
|---|---|---|---|---|---|---|---|---|---|---|---|---|---|
| D | Bi | Ol | K | n | o | E | W1 | J | T | Evet | K | B | ds (UNF-Diș) |
| 3-15/16" | 2-3/16" | 1-3/16" | 2-7/16" | 7/8" | 1.315" | 61/64" | 2-3/4" | 1/8" | 7/64" | 1-3/16" | 37/64" | 3-1/2" | 1/4-20x1 |
Paylaş
