1
/
/
2
NB
NB SWJ16 NB Top Bilyalı Burç Blok 1" Lineer Hareket
NB SWJ16 NB Top Bilyalı Burç Blok 1" Lineer Hareket
Normal fiyat
$133.93 USD
Normal fiyat
$148.99 USD
İndirimli fiyat
$133.93 USD
Birim fiyat
/
/
Kargo, ödeme sayfasında hesaplanır.
Teslim alım stok durumu yüklenemedi
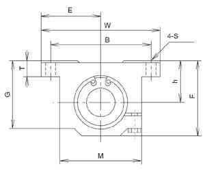
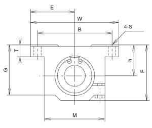
| SWJ16 NB Kayar Ünite Blok Tipi Japonya Yapımı: NB Linear Systems Nippon Bearing Lineer Sistemler |
SWJ16 NB 1" inç Kayar Ünite Blok Tipi, rulman iç çapı 1" inç ölçülerinde çelik tutucu ile, seri ağırlıklı olarak ABD'de kullanılır, NB markası (Nippon Bearing Linear Systems), Japonya yapımı.
|
| Ana boyutlar | Montaj boyutları | |||||||||
|---|---|---|---|---|---|---|---|---|---|---|
| s | E | B | K | F | T | G | M | B | C | S |
| 1-3/16" | 1-5/8" | 3-1/4" | 2-13/16" | 2-3/16" | 3/8" | 1-15/16" | 2-3/8" | 2-7/8" | 1-3/4" | 7/32" |
Paylaş
