1
/
trong số
4
VXB
Vòng bi mặt bích 12mm KFL001 Vòng bi gối đỡ mini gắn trên khối
Vòng bi mặt bích 12mm KFL001 Vòng bi gối đỡ mini gắn trên khối
Giá thông thường
$6.90 USD
Giá thông thường
$9.99 USD
Giá ưu đãi
$6.90 USD
Đơn giá
/
trên
Phí vận chuyển được tính khi thanh toán.
Không thể tải khả năng nhận hàng tại cửa hàng
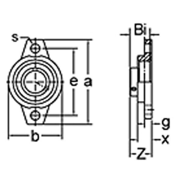
Vòng bi gối đỡ mini mặt bích KFL001 Hợp kim kẽm Đường kính trong 12mm |
Vòng bi gối đỡ mini mặt bích KFL001, KFL001 làm từ hợp kim kẽm, đường kính trong là 12mm.
|
Kích thước (mm) | ||||||||||
---|---|---|---|---|---|---|---|---|---|---|
d | A | E | I | G | B | S | D | Z | L | N |
12 | 63 | 48 | 5.5 | 5.5 | 11.5 | 7 | 36 | 15.5 | 14 | 4 |
Chia sẻ



