1
/
trong số
2
VXB
Vòng bi 2 1/8" HCF211-34 gắn trên vỏ bích 4 bu lông - Cổ áo lệch tâm
Vòng bi 2 1/8" HCF211-34 gắn trên vỏ bích 4 bu lông - Cổ áo lệch tâm
Giá thông thường
$88.99 USD
Giá thông thường
$99.00 USD
Giá ưu đãi
$88.99 USD
Đơn giá
/
trên
Phí vận chuyển được tính khi thanh toán.
Không thể tải khả năng nhận hàng tại cửa hàng
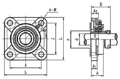
| Bộ đơn vị mặt bích bốn bu lông HCF211-34 Loại vít chốt với vòng cổ lệch tâm Đường kính trong 2 1/8" inch |
Bộ đơn vị mặt bích bốn bu lông HCF211-34 với vòng cổ lệch tâm, ổ bi là loại vít chốt, đường kính trong là 2 1/8" inch.
|
| Kích thước (Inch) | |||||||||
|---|---|---|---|---|---|---|---|---|---|
| d | L | J | A2 | A1 | A | E | N | S | F tối thiểu |
| 2 1/8" | 6 3/8" | 5 1/8" | 1" | 23/32" | 1 11/16" | 2 23/32" | 23/32" | 1 3/32" | 2 13/16" |
Chia sẻ
