1
/
trong số
2
VXB
Vòng bi 2 7/16" HCF212-39 vỏ gắn bệ mặt bích 4 bu lông - Cổ áo lệch tâm
Vòng bi 2 7/16" HCF212-39 vỏ gắn bệ mặt bích 4 bu lông - Cổ áo lệch tâm
Giá thông thường
$70.11 USD
Giá thông thường
$78.00 USD
Giá ưu đãi
$70.11 USD
Đơn giá
/
trên
Phí vận chuyển được tính khi thanh toán.
Không thể tải khả năng nhận hàng tại cửa hàng
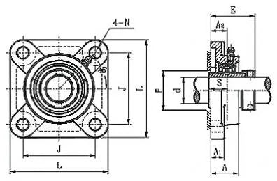
Bộ phận mặt bích bốn bu lông HCF212-39 Loại vít cố định với vòng cổ lệch tâm Đường kính trong 2 7/16" Inch |
Vòng bi mặt bích bốn bu lông HCF212-39 là loại vòng bi có vít chặn với đường kính trong 2 7/16" inch.
|
Kích thước (Inch) | |||||||||
---|---|---|---|---|---|---|---|---|---|
d | L | J | A2 | A1 | A | E | N | S | F tối thiểu |
2 7/16" | 6 7/8" | 5 5/8" | 1 5/32" | 23/32" | 1 7/8" | 2 31/32" | 23/32" | 1 7/32" | 3 1/32" |
Chia sẻ

