1
/
trong số
2
VXB
Vòng bi 25mm HCFL205 Gắn trên vỏ đúc có mặt bích 2 bu lông - Cổ áo lệch tâm
Vòng bi 25mm HCFL205 Gắn trên vỏ đúc có mặt bích 2 bu lông - Cổ áo lệch tâm
Giá thông thường
$42.24 USD
Giá thông thường
$46.99 USD
Giá ưu đãi
$42.24 USD
Đơn giá
/
trên
Phí vận chuyển được tính khi thanh toán.
Không thể tải khả năng nhận hàng tại cửa hàng
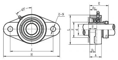
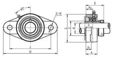
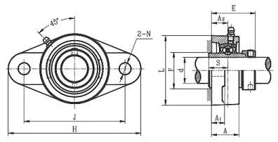
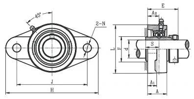
| Vòng Bi Gắn 25mm HCFL205 với Cổ Áo Lệch Tâm Một Vòng Bi |
Vòng bi gắn 25mm với vòng lệch tâm HCFL205. Đường kính trong là 25mm.
|
| Kích thước | |||||||||||
|---|---|---|---|---|---|---|---|---|---|---|---|
| D | H | J | N | A | A1 | A2 | E | L | S | ||
| 25mm | 130 | 99 | 16 | 27 | 13 | 17.5 | 44.4 | 68 | 16 | ||
Chia sẻ
