VXB
B542-2RS Vòng bi điều khiển khung máy bay loại ống mô-men xoắn siêu nhẹ 1-5/16" x 1-3/4" x 9/32"
B542-2RS Vòng bi điều khiển khung máy bay loại ống mô-men xoắn siêu nhẹ 1-5/16" x 1-3/4" x 9/32"
Không thể tải khả năng nhận hàng tại cửa hàng
Vòng bi điều khiển khung máy bay loại ống mô-men xoắn chịu tải nhẹ B542-2RS
✨ 1-5/16" x 1-3/4" x 9/32" - Phớt cao su
Được thiết kế cho độ chính xác và độ bền trong các ứng dụng hàng không và vũ trụ, B542-2RS là vòng bi ống mô-men xoắn chịu tải nhẹ đặc biệt, lý tưởng cho hệ thống liên kết bề mặt điều khiển. Nó mang lại vận hành mượt mà với khả năng chịu tải cao trong khi vẫn giữ thiết kế nhỏ gọn, thấp.
🟢 Mã sản phẩm: B542-2RS
🟢 Loại: Vòng bi cầu hàng đơn, bổ sung đầy đủ, chịu tải nhẹ đặc biệt
🟢 Ứng dụng: Hệ thống điều khiển khung máy bay và ống mô-men xoắn
🟢 Phớt: Phớt cao su (2RS)
🟢 Bôi trơn: Phủ bảo quản (khô, không bôi mỡ)
🟢 Vật liệu: Thép hợp kim crôm, thép cacbon cao (không mạ cadmium)
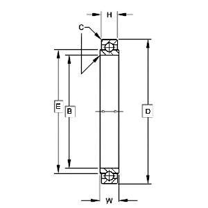
🟢 Kích thước:
- Đường kính lỗ (ID): 1-5/16"
- Đường kính ngoài (OD): 1-3/4"
- Chiều rộng: 9/32"
🟢 Chiều rộng vòng trong (H): 0.281"
🟢 Đường kính ngoài vòng trong (W): 1.454"
🟢 Chiều cao vai (E): 0.015"
🟢 Khả năng chịu tải hướng kính: 5,950 lbs
🟢 Khả năng chịu tải trục: 2,700 lbs
🟢 Thương hiệu: VXB Bearing
🟢 Số lượng: 1 Vòng bi
Chia sẻ


