1
/
trong số
3
VXB
GER210-32 Chèn GRIP-IT Vòng bi 360 Độ 2 Inch
GER210-32 Chèn GRIP-IT Vòng bi 360 Độ 2 Inch
Giá thông thường
$269.99 USD
Giá thông thường
$299.99 USD
Giá ưu đãi
$269.99 USD
Đơn giá
/
trên
Phí vận chuyển được tính khi thanh toán.
Không thể tải khả năng nhận hàng tại cửa hàng
| Sản phẩm này sẽ được giao trong vòng một tuần Trả hàng chịu phí lưu kho 15% |
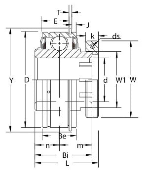
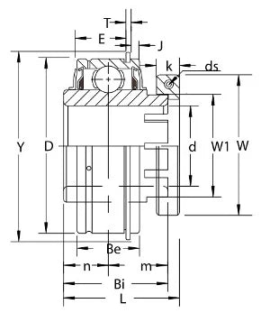
| Lõi vòng bi GER209-45mm GRIP-IT khóa 360 độ Khóa bằng vít Đường kính trong 45mm |
|
Lõi vòng bi GER209-45mm GRIP-IT khóa 360 độ, vòng bi có khả năng chịu tải tiêu chuẩn, vòng bi có vòng trong rộng với vòng ngoài hình trụ và vòng chặn, vòng bi có rãnh bôi trơn lại với lỗ dầu ở phía đối diện với vòng khóa, vòng bi được mạ oxit đen ở vòng trong và vòng ngoài, vòng bi có vít khóa nylon lớp 3A, phớt tiêu chuẩn là phớt R.
|
| Kích thước (mm) | |||||||||||||
|---|---|---|---|---|---|---|---|---|---|---|---|---|---|
| D | Bi | Be | L | n | m | E | W1 | J | T | Y | K | W | ds (Ren UNF) |
| 85 | 49.2 | 27.8 | 53.9 | 19 | 30.2 | 22.6 | 57.3 | 3.28 | 1.9 | 91.6 | 11.5 | 75.5 | 10-24x3/4 |
Chia sẻ
