1
/
trong số
3
VXB
GER212-36 Chèn GRIP-IT 360 Độ 2-1/4" Vòng bi
GER212-36 Chèn GRIP-IT 360 Độ 2-1/4" Vòng bi
Giá thông thường
$465.29 USD
Giá thông thường
$516.99 USD
Giá ưu đãi
$465.29 USD
Đơn giá
/
trên
Phí vận chuyển được tính khi thanh toán.
Không thể tải khả năng nhận hàng tại cửa hàng
| Sản phẩm này sẽ được giao trong vòng một tuần Trả hàng chịu phí lưu kho 15% |
|
Lõi vòng bi GER212-36 GRIP-IT khóa 360 độ Khóa bằng vít Đường kính trong 2 1/4" Inch |
Lõi vòng bi GER212-36 GRIP-IT khóa 360 độ, vòng bi tải tiêu chuẩn, vòng bi có vòng trong rộng với vòng ngoài hình trụ và vòng chặn, vòng bi có rãnh bôi trơn lại với lỗ dầu ở phía đối diện với vòng khóa, vòng bi được mạ oxit đen ở vòng trong và vòng ngoài, vít khóa nylon lớp 3A, phớt tiêu chuẩn là phớt R.
|
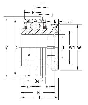
| Kích thước (Inch) | |||||||||||||
|---|---|---|---|---|---|---|---|---|---|---|---|---|---|
| D | Bi | Be | L | n | m | E | W1 | J | T | Y | K | W | ds (Ren UNF) |
| 4-21/64" | 2-9/16" | 1-1/4" | 2-55/64" | 1" | 1-9/16" | 1-1/64" | 3-1/32" | 1/8" | 3/64" | 4-13/64" | 45/64" | 4-3/64" | 5/16-18x1 |
Chia sẻ
