VXB
LFR5301KDD-10 12x42x19mm U-Grove Track Track Puro theo dõi vòng bi
LFR5301KDD-10 12x42x19mm U-Grove Track Track Puro theo dõi vòng bi
Không thể tải khả năng nhận hàng tại cửa hàng
LFR5301KDD-10 con lăn theo dõi U-Grove
✨ ID 12 mm - OD 42mm - đường kính rãnh 10 mm
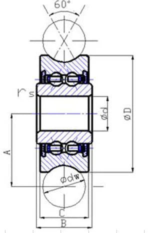
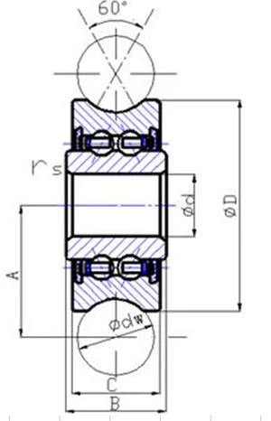
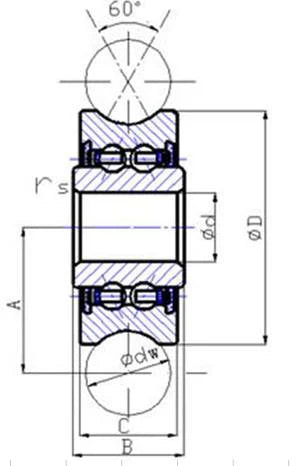
LFR5301KDD-10 là một ổ trục theo dõi U-Grove được thiết kế cho chuyển động mượt mà, có hướng dẫn dọc theo trục tròn hoặc đường ray. Với đường kính bên trong 12 mm và đường kính ngoài 42mm, nó có rãnh U 10 mm để theo dõi chính xác, làm cho nó trở nên lý tưởng cho thiết bị tự động hóa, hệ thống trượt và lắp ráp chuyển động tuyến tính.
🟢 Loại: Vòng bi lăn theo dõi U-Grove
🟢 Đường kính bên trong (DW): 12 mm
🟢 Đường kính rãnh: 10 mm
Đường kính ngoài (D): 42mm
🟢 chiều rộng rãnh (c): 19mm
🟢 Chiều rộng mang (b): 19mm
🟢 Tổng chiều rộng (a): 24mm
🟢 Bán kính (RS): 0,6mm
🟢 Xếp hạng tải động (CW): 13,2 kN
🟢 Xếp hạng tải tĩnh (bò): 7,7 kN
🟢 Số lượng: 1 ổ trục
Chia sẻ







